本文SBWR-2161智能熱電偶溫度樱桃视频大全免费高清版資料由優質樱桃视频大全免费高清版生產報價廠家為您提供。

SBWR-2161智能熱電偶簡介溫度樱桃视频大全免费高清版;
SBW係列熱電阻和熱電偶溫度樱桃视频大全免费高清版,采用雙線傳輸模式,將熱電阻、熱電偶電阻和毫伏信號轉換成與輸入信號或溫度信號成線性關係的20mA輸出信號。它可以安裝在熱電阻和熱電偶的接線盒中形成一個整體結構,也可以以導軌的形式安裝在儀表控製箱中。上海自動化儀表三廠生產的SBWR-2161智能熱電偶具有耐衝擊、耐潮濕、精度高、功耗低、工作環境溫度範圍廣、運行穩定可靠等優點。作為新一代的溫度測量和傳輸儀器,它廣泛應用於冶金、石化、電力、紡織、食品等工業部門。
SBWR-2161智能熱電偶溫度樱桃视频大全免费高清版主要技術參數:
◆範圍:0-800℃
◆輸入類型:E型
◆輸出類型:輸出20mA(輸出線性至相應溫度)
◆精度等級:0.5%FS,0.2%FS
◆傳輸模式:雙線製
◆工作電源:DC12~35V,額定工作電壓DC24V
◆負載電阻:0-600ω,額定負載:250ω
◆環境溫度:-20℃~70℃(智能)
◆相對濕度:5%~95%
◆環境溫度影響:≤0.05/1℃
溫度樱桃视频大全免费高清版工作原理:
SBW係列熱電阻和熱電偶溫度樱桃视频大全免费高清版,采用雙線傳輸方式,將熱電阻和熱電偶的電阻和毫伏信號轉換成20mA輸出信號,與輸入信號或溫度信號成線性關係。並將信號傳輸到計算機或其他設備。
溫度樱桃视频大全免费高清版使用類型選擇:

模型示例:
SBWR-2161表示e級非隔離常規型,輸出與相應溫度成線性關係的智能型為20mA 溫度樱桃视频大全免费高清版
SBWR-4261表示k分頻非隔離常規型,輸出與相應輸入信號成線性關係的智能型為20mA 溫度樱桃视频大全免费高清版
SBWR-2160表示e級非隔離常規型,輸出與相應的溫度成線性關係,20mA輸出溫度樱桃视频大全免费高清版
SBWR-4160表示e級非隔離常規型,輸出與相應的輸入信號成線性關係,輸出為20mA 溫度樱桃视频大全免费高清版
此外,訂購時應提供溫度範圍等參數
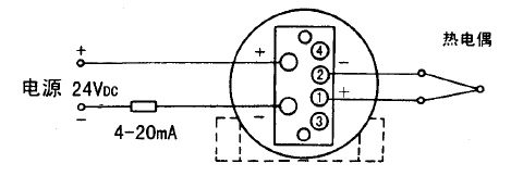
溫度樱桃视频大全免费高清版安裝圖片:
◆SBWR-2161智能熱電偶溫度樱桃视频大全免费高清版

◆SBWR-2161智能熱電偶溫度樱桃视频大全免费高清版連接

《SBWR-2161智能熱電偶溫度樱桃视频大全免费高清版》本文地址:http://www.sdrlhw.com/news/hy/922.html 轉載請勿刪除!